Leitz HSK-F 63 ThermoGrip Toolholder 3/4" ID
It is recommended to purchase the dedicated heatshrink toolholder, HSK-F63 ThermoGrip Chuck, LT670012 to pair with the Leitz 4" Flycutter with 3/4" Shank, LT130079222 for planing spoilboards. When purchased together, the flycutter will be heat-fitted into the ThermoGrip Chuck.
Application
Tool clamping for high performance. Fine balanced to 36,000 rpm and ideal for high-speed machining. Short, slim design for improved chip flow and dust extraction. Suitable for solid carbide and steel shanked tools. Clamping excentricity, e=<0.01 mm. ThermoGrip® provides the most stable and rigid clamping technology for increased feed rate and tool performance of any available clamping system.
Benefits
- Reduces tool vibration, increasing part accuracy and surface finish quality.
- Uniform 360° gripping of the tool shank using heat shrink fit.
- Excellent torque transmission, ideal for heavy-duty or high-speed milling
- Stable clamping reduces micro-movement and heat buildup at the cutting edge.
- Decreases wear on cutting tools and the holder.
- No collets or nuts means fewer parts, simpler cleaning, and better dynamic balance.
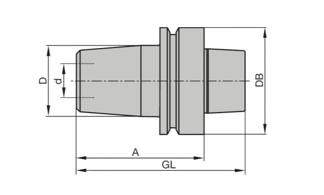
Technical Information
Diameter: 42mm
Shank Diameter: 3/4" ID
A: 75mm
DB: 65mm
Weight: 1 kg
Shank Tolerance: H6
Call or email for pricing and availability on additional sizes of ThermoGrip Toolholders.
